熱門搜索關鍵詞 伺服減速機|行星齒輪減速機 |伺服行星減速機|轉角行星減速機| 行星減速器 |減速機廠家

產品描述:
一.獨特的法蘭盤輸出方式,獲得更大安裝自由度
二.機身尺寸更短,安裝空間要求低。
三.抵回程間隙,定位更精準。
四.雙支撐籠式行星架結構,高可靠度,可適應頻繁正反轉。
五。轉架裝配圓推滾子軸承,滿足重載工況要求。
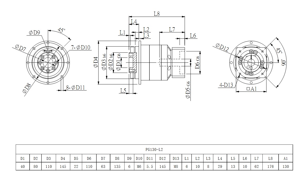
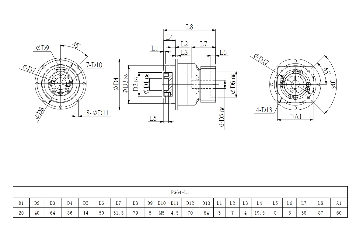
規格范圍:64-200
速比范圍:3-100
精度范圍:1-3arcmin(p1等級)
3-5 arcmin(p2等級)
5-7arcmin(p3等級)、
|
技術參數/規格 |
PM60 |
PM90 |
PM120 |
PM140 |
PM180 |
|||||||||||
|
最 大扭矩 |
Nm |
1.5倍額定扭矩 |
||||||||||||||
|
緊急制動扭矩 |
Nm |
2.5倍額定扭矩 |
||||||||||||||
|
最 大容許徑向力 |
N |
1530 |
3250 |
6700 |
9400 |
14500 |
||||||||||
|
最 大容許軸向力 |
N |
630 |
1300 |
3000 |
4700 |
7250 |
||||||||||
|
抗扭剛性 |
Nm/arcmin |
7 |
14 |
25 |
50 |
145 |
||||||||||
|
最 大輸入轉速 |
rpm |
8000 |
8000 |
6000 |
6000 |
|||||||||||
|
額定輸入轉速 |
rpm |
5000 |
4000 |
4000 |
3000 |
3000 |
||||||||||
|
噪音 |
dB |
≤58 |
≤60 |
≤65 |
≤68 |
≤68 |
||||||||||
|
平均壽命 |
h |
20000 |
||||||||||||||
|
滿載效率 |
% |
L1≥95% L2≥90% |
||||||||||||||
|
回程間隙 |
P0 |
L1 |
arcmin |
≤3 |
≤3 |
≤3 |
≤3 |
≤3 |
||||||||
|
L2 |
arcmin |
≤5 |
≤5 |
≤5 |
≤6 |
≤6 |
||||||||||
|
P1 |
L1 |
arcmin |
≤6 |
≤6 |
≤6 |
≤6 |
≤6 |
|||||||||
|
L2 |
arcmin |
≤10 |
≤10 |
≤10 |
≤10 |
≤10 |
||||||||||
|
轉動慣量 |
L1 |
3 |
Kg.cm2 |
0.16 |
0.61 |
3.25 |
9.21 |
28.98 |
||||||||
|
4 |
Kg.cm2 |
0.14 |
0.48 |
2.74 |
7.54 |
23.67 |
||||||||||
|
5 |
Kg.cm2 |
0.13 |
0.47 |
2.71 |
7.42 |
23.29 |
||||||||||
|
6 |
Kg.cm2 |
0.13 |
0.47 |
2.71 |
7.42 |
22.29 |
||||||||||
|
7 |
Kg.cm2 |
0.13 |
0.45 |
2.62 |
7.14 |
22.48 |
||||||||||
|
8 |
Kg.cm2 |
0.13 |
0.45 |
2.60 |
7.14 |
22.48 |
||||||||||
|
9 |
Kg.cm2 |
0.13 |
0.42 |
2.59 |
7.08 |
22.40 |
||||||||||
|
10 |
Kg.cm2 |
0.13 |
0.40 |
2.57 |
7.03 |
22.51 |
||||||||||
|
L2 |
15 |
Kg.cm2 |
0.13 |
0.45 |
0.45 |
2.63 |
7.30 |
|||||||||
|
20 |
Kg.cm2 |
0.13 |
0.45 |
0.45 |
2.63 |
7.30 |
||||||||||
|
35 |
Kg.cm2 |
0.13 |
0.45 |
0.45 |
2.43 |
7.10 |
||||||||||
|
40 |
Kg.cm2 |
0.13 |
0.45 |
0.45 |
2.43 |
6.92 |
||||||||||
|
50 |
Kg.cm2 |
0.13 |
0.40 |
0.40 |
2.39 |
6.92 |
||||||||||
|
80 |
Kg.cm2 |
0.13 |
0.40 |
0.40 |
2.39 |
6.72 |
||||||||||
|
100 |
Kg.cm2 |
0.13 |
0.40 |
0.40 |
2.39 |
6.72 |
||||||||||
|
|
||||||||||||||||
行星減速機,伺服行星減速機,東莞紐格爾精密行星伺服減速機廠家,德國合資技術行星減速器,品質保障、售后服務周到,廠家直供電話15989320569
| 版權所有 Copyright(C) 紐格爾智能傳動(廣東) 有限公司 網站備案號:粵ICP備15087361號 地址:廣東省東莞市黃江鎮閩泰路1號101室 服務熱線:400-660-1918 手機:15989320569 電話:0769-82930143 郵箱:2853006285@qq.com 網址:m.843643.com |