熱門搜索關鍵詞 伺服減速機|行星齒輪減速機 |伺服行星減速機|轉角行星減速機| 行星減速器 |減速機廠家
一、輸出端螺紋連接,安裝尺寸標準化,通用性強。
二、單懸臂結構,設計簡潔極 具性價比。
三、精度8-16弧分,可適應大部分場合。
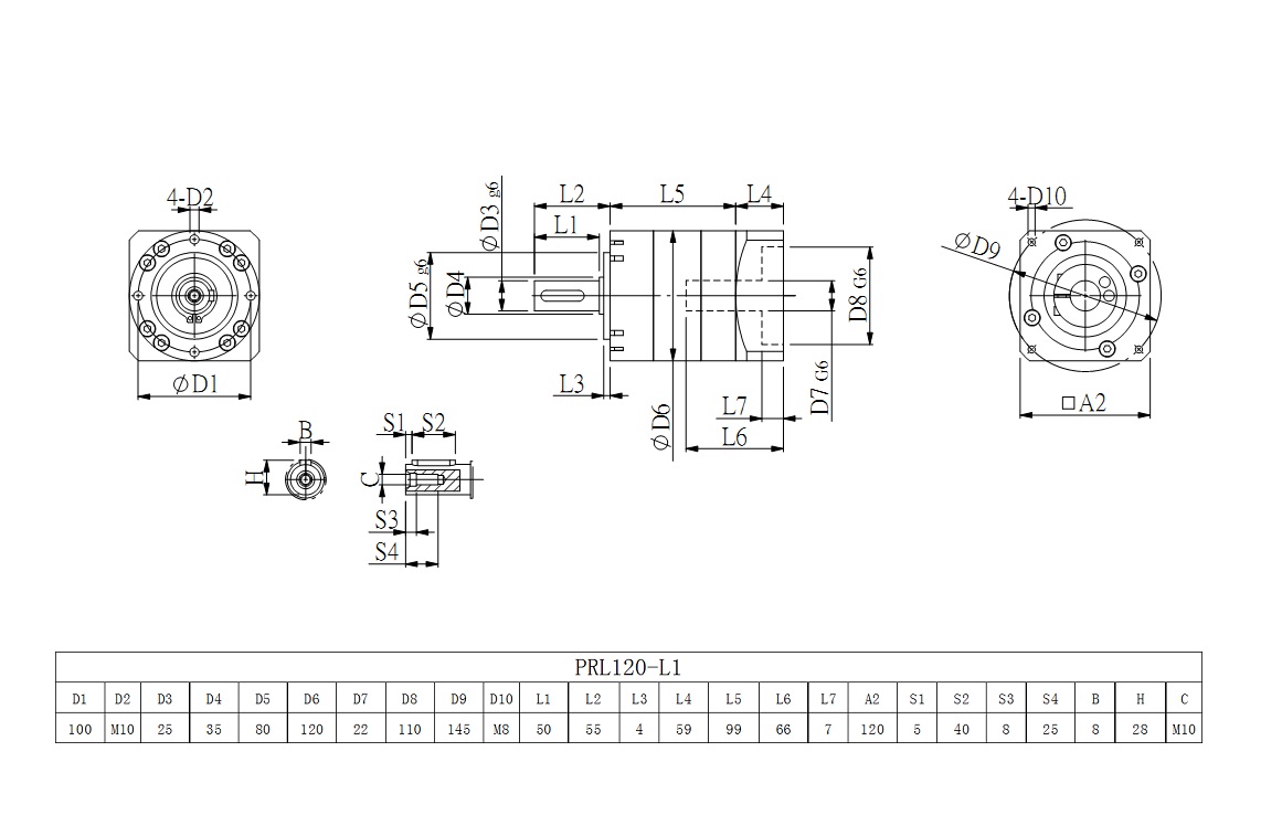
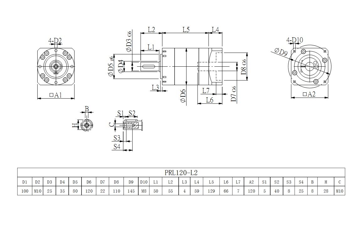
規格范圍:60-120
速比范圍:3-100
精度范圍:8-16arcmin
|
平均壽命 |
h |
20000 |
||||||||
|
滿載效率 |
% |
L1≥96% L2≥94% |
||||||||
|
回程間隙 |
P0 |
L1 |
arcmin |
<3 |
<3 |
<3 |
<3 |
|||
|
L2 |
arcmin |
<5 |
<5 |
<5 |
<6 |
|||||
|
P1 |
L1 |
arcmin |
<6 |
<6 |
<6 |
<8 |
||||
|
L2 |
arcmin |
<10 |
<10 |
<10 |
<10 |
|||||
|
轉動慣量 |
L1 |
3 |
Kg.cm2 |
0.46 |
0.77 |
1.73 |
12.78 |
|||
|
4 |
Kg.cm2 |
0.46 |
0.77 |
1.73 |
12.78 |
|||||
|
5 |
Kg.cm2 |
0.46 |
0.77 |
1.73 |
12.78 |
|||||
|
7 |
Kg.cm2 |
0.41 |
0.65 |
1.42 |
11.38 |
|||||
|
10 |
Kg.cm2 |
0.41 |
0.65 |
1.42 |
11.38 |
|||||
|
L2 |
12 |
Kg.cm2 |
0.44 |
0.72 |
1.49 |
12.18 |
||||
|
15 |
Kg.cm2 |
0.44 |
0.72 |
1.49 |
12.18 |
|||||
|
20 |
Kg.cm2 |
0.44 |
0.72 |
1.49 |
12.18 |
|||||
|
25 |
Kg.cm2 |
0.44 |
0.72 |
1.49 |
12.18 |
|||||
|
28 |
Kg.cm2 |
0.44 |
0.72 |
1.49 |
12.18 |
|||||
|
40 |
Kg.cm2 |
0.44 |
0.72 |
1.49 |
12.18 |
|||||
|
50 |
Kg.cm2 |
0.34 |
0.58 |
1.25 |
11.48 |
|||||
|
100 |
Kg.cm2 |
0.34 |
0.58 |
1.25 |
11.48 |
|||||

| 版權所有 Copyright(C) 紐格爾智能傳動(廣東) 有限公司 網站備案號:粵ICP備15087361號 地址:廣東省東莞市黃江鎮閩泰路1號101室 服務熱線:400-660-1918 手機:15989320569 電話:0769-82930143 郵箱:2853006285@qq.com 網址:m.843643.com |